Product Summary
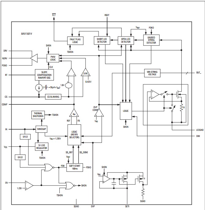
The MAX16814BEUP+ high-efficiency, high-brightness LED (HBLED) driver provides up to four integrated LED currentsink channels. An integrated current-mode switching DC-DC controller drives a DC-DC converter that provides the necessary voltage to multiple strings of HB LEDs. The MAX16814BEUP+ accepts a wide 4.75V to 40V input voltage range and withstands direct automotive loaddump events. The wide input range allows powering HB LEDs for small to medium-sized LCD displays in automotive and general lighting applications.
Parametrics
MAX16814BEUP+ absolute maximum ratings: (1)IN to SGND: -0.3V to +45V; (2)EN to SGND: -0.3V to (VIN + 0.3V); (3)PGND to SGND: -0.3V to +0.3V; (4)LEDGND to SGND: -0.3V to +0.3V; (5)OUT_ to LEDGND: -0.3V to +45V; (6)VCC to SGND: -0.3V to the lower of (VIN + 0.3V) and +6V; (7)CS, RT, COMP, SETI to SGND: -0.3V to (VCC + 0.3V); (8)NDRV to PGND: -0.3V to (VDRV + 0.3V); (9)NDRV Peak Current (< 100ns): ±3A; (10)NDRV Continuous Current: ±100mA; (11)OUT_ Continuous Current: ±175mA; (12)VCC Short-Circuit Duration: Continuous; (13)Operating Temperature Range: MAX16814BE- -40NC to +85NC; (14)Junction Temperature: +150NC; (15)Storage Temperature Range: -65NC to +150NC; (16)Lead Temperature (soldering, 10s): +300NC; (17)Soldering Temperature (reflow): +260NC.
Features
MAX16814BEUP+ features: (1)4-Channel Linear LED Current Sinks with Internal MOSFETs; (2)Full-Scale LED Current Adjustable from 20mA to 150mA; (3)Drives One to Four LED Strings; (4)Boost, SEPIC, or Coupled-Inductor Boost-Buck, Current-Mode D-DC Controller; (5)200kHz to 2MHz Programmable Switching Frequency; (6)External Switching Frequency Synchronization; (7)Adaptive Output-Voltage Optimization to Minimize Power Dissipation; (8)4.75V to 40V Operating Input Voltage Range; (9)Less than 40μA Shutdown Current; (10)5000:1 PWM Dimming at 200Hz (MAX16814A_and MAX16814U_ _ Only); (11)Open-Drain Fault Indicator Output; (12)Open-LED and LED Short Detection and Protection; (13)Overtemperature Protection; (14)Thermally Enhanced, 20-Pin TQFN, QFND, and TSSOP Packages.
Diagrams

| Image | Part No | Mfg | Description | ![]() |
Pricing (USD) |
Quantity | ||||||||||||
|---|---|---|---|---|---|---|---|---|---|---|---|---|---|---|---|---|---|---|
![]() |
![]() MAX16814BEUP+ |
![]() Maxim Integrated Products |
![]() LED Lighting Drivers 4Ch HB Drvr w/High-V DC/DC Controller |
![]() Data Sheet |
![]()
|
|
||||||||||||
![]() |
![]() MAX16814BEUP+T |
![]() Maxim Integrated Products |
![]() LED Lighting Drivers 4Ch HB Drvr w/High-V DC/DC Controller |
![]() Data Sheet |
![]()
|
|
||||||||||||
(China (Mainland))









