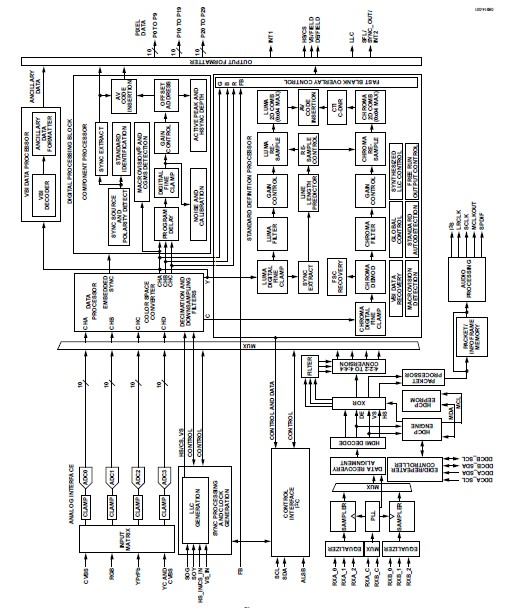
Product Summary
The ADV7441ABSTZ-170 is a high quality multiformat video decoder and graphics digitizer with an integrated 2:1 multiplexed HDMI receiver. The device contains two main processing sections. It incorporates a dual-input HDMI 1.3-compatible receiver that supports HDTV formats up to 1080p and display resolutions up to UXGA. The applications of the ADV7441ABSTZ-170 include: (1)Advanced TVs: PDP HDTVs, LCD TVs (HDTV ready), LCD/DLP rear projection HDTVs, CRT HDTVs, LCoS HDTVs; (2)Audio/video receivers (AVR); (3)LCD/DLP front projectors; (4)HDTV STBs with PVR; (5)DVD recorders with progressive scan input support.
Parametrics
ADV7441ABSTZ-170 absolute maximum ratings: (1)AVDD to AGND: 2.2 V; (2)DVDD to DGND: 2.2 V; (3)PVDD to PGND: 2.2 V; (4)DVDDIO to DGND: 4 V; (5)CVDD to CGND: 2.2 V; (6)TVDD to TGND: 4 V; (7)DVDDIO to AVDD: -0.3 V to +3.6 V; (8)DVDDIO to TVDD: -3.6 V to +3.6 V; (9)DVDDIO to DVDD: -2 V to +2 V; (10)CVDD to DVDD: -2 V to +0.3 V; (11)PVDD to DVDD: -2 V to +0.3 V; (12)AVDD to CVDD: -2 V to +2 V; (13)AVDD to PVDD: -2 V to +2 V; (14)AVDD to DVDD: -2 V to +0.3 V; (15)AVDD to TVDD: -3.6 V to +0.3 V; (16)TVDD to DVDD: -2 V to +2 V.
Features
ADV7441ABSTZ-170 features: (1)Four 10-bit analog-to-digital converters (ADCs); (2)ADC sampling rates up to 170 MHz; (3)Mux with 12 analog input channels; (4)SCART fast blank sampling support; (5)NTSC/PAL/SECAM color standards support; (6)525p-/625p-component progressive scan formats support; (7)720p-/1080i-/1080p-component HD formats support; (8)Digitizes RGB graphics from VGA to UXGA rates (up to 1600 × 1200 @ 60 Hz); (9)VBI data slicer (including teletext); (10)Analog-to-HDMI fast switching mode.
Diagrams

![]() |
![]() ADV7120 |
![]() Other |
![]() |
![]() Data Sheet |
![]() Negotiable |
|
||||
![]() |
![]() ADV7120KP30 |
![]() Analog Devices Inc |
![]() IC DAC VIDEO 3-CH 30MHZ 44PLCC |
![]() Data Sheet |
![]() Negotiable |
|
||||
![]() |
![]() ADV7120KP30-REEL |
![]() Analog Devices Inc |
![]() IC DAC VIDEO 3-CH 30MHZ 44PLCC |
![]() Data Sheet |
![]() Negotiable |
|
||||
![]() |
![]() ADV7120KP50 |
![]() Analog Devices Inc |
![]() IC DAC VIDEO 3-CH 50MHZ 44PLCC |
![]() Data Sheet |
![]() Negotiable |
|
||||
![]() |
![]() ADV7120KP50-REEL |
![]() Analog Devices Inc |
![]() IC DAC VIDEO 3-CH 50MHZ 44PLCC |
![]() Data Sheet |
![]() Negotiable |
|
||||
![]() |
![]() ADV7120KP80 |
![]() Analog Devices Inc |
![]() IC DAC VIDEO 3-CH 80MHZ 44PLCC |
![]() Data Sheet |
![]() Negotiable |
|
||||
(China (Mainland))









