Product Summary
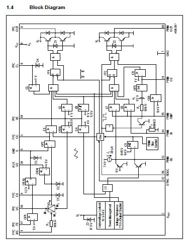
The TDA16888 comprises the complete control for power factor controlled switched mode power supplies. With its PFC and PWM section being internally synchronized, it applies for off-line converters with input voltages ranging from 90 V to 270V. While the preferred topologies of the PFC preconverter of the TDA16888 are boost or flyback, the PWM section can be designed as forward or flyback converter. In order to achieve minimal line current gaps the maximum duty cycle of the PFC is about 94%. The maximum duty cycle of the PWM, however, is limited to 50% to prevent transformer saturation.
Parametrics
TDA16888 absolute maximum ratings: (1)VCC supply voltage, VS: - 0.3 to VZ3 V; (2)Zener current of Z3, IZ3: 50 mA; (3)VREF voltage, VVREF: -0.3 to 8V; (4)ROSC voltage, VROSC: -0.3 to 8V; (5)SYNC voltage, VSYNC: -0.3 to 8V ; (6)PFC FB voltage, VPFC FB: -0.3 to 8V ; (7)PFC IAC voltage, VPFC IAC: -0.3 to 15V ; (8)AUX VS voltage, VAUX VS: -0.3 to 8V; (9)PFC VS voltage, VPFC VS: -0.3 to 8V; (10)PFC CL voltage, VPFC CL: -1 to 3V; (11)PWM SS voltage, VPWM SS: -0.3 to 8V; (12)PWM IN voltage, VPWM IN: -0.3 to 8V; (13)PWM RMP voltage, VPWM RMP: -0.3 to 8V; (14)PWM CS voltage, VPWM CS: -0.3 to 3V ; (15)PFC VC voltage, VPFC VC: -0.3 to 8V; (16)PFC VC current, IPFC VC: -20 to 20 mA; (17)PFC CS current, IPFC CS: -5 to 5mA; (18)GND S current, IGND S: -5 to 5mA; (19)PFC CC voltage, VPFC CC: -0.3 to 8V; (20)PFC CC current, IPFC CC: -20 to 20mA; (21)PFC/PWM OUT DC current, IOUT: -100 to 100mA; (22)PFC/PWM OUT peak clamping current, IOUT: 200 mA; (23)PFC/PWM OUT peak clamping current, IOUT: 500mA ; (24)Junction temperatur, TJ: -40 to 150℃.
Features
TDA16888 features: (1)High power factor; (2)Typical 50 mA start-up supply current; (3)Low quiescent current (15 μA); (4)Undervoltage lockout with internal stand-by operation; (5)Internally synchronized fixed operating frequency ranging from 15 kHz to 200 kHz; (6)External synchronization possible; (7)Shutdown of both outputs externally triggerable; (8)Peak current limitation; (9)Overvoltage protection; (10)Average current sensing by noise filtering.
Diagrams

| Image | Part No | Mfg | Description | ![]() |
Pricing (USD) |
Quantity | ||||||||||||
|---|---|---|---|---|---|---|---|---|---|---|---|---|---|---|---|---|---|---|
![]() |
![]() TDA16888G |
![]() Infineon Technologies |
![]() Power Factor Correction ICs HI PERFORM PWR COMBI CONTROLLER |
![]() Data Sheet |
![]() Negotiable |
|
||||||||||||
![]() |
![]() TDA16888G GEG |
![]() Infineon Technologies |
![]() Power Factor Correction ICs HI PERFORM PWR COMBI CONTROLLER |
![]() Data Sheet |
![]() Negotiable |
|
||||||||||||
![]() |
![]() TDA16888GXK |
![]() Infineon Technologies |
![]() Power Factor Correction ICs High Performance Pwr Combi Controller 19V |
![]() Data Sheet |
![]() Negotiable |
|
||||||||||||
![]() |
![]() TDA16888GGEGXT |
![]() Infineon Technologies |
![]() Power Factor Correction ICs High Performance Pwr Combi Controller 19V |
![]() Data Sheet |
![]()
|
|
||||||||||||
![]() |
![]() TDA16888 |
![]() Infineon Technologies |
![]() Power Factor Correction ICs HI PERFORM PWR COMBI CONTROLLER |
![]() Data Sheet |
![]() Negotiable |
|
||||||||||||
(China (Mainland))










