Product Summary
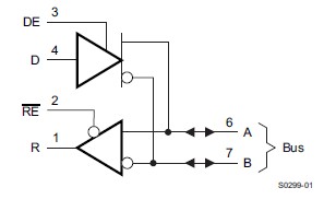
The SN65HVD1785P is a fault-protected RS-485 transceiver with extended common-mode range. It is designed to survive overvoltage faults such as direct shorts to power supplies, mis-wiring faults, connector failures, cable crushes, and tool mis-applications. It combines a differential driver and a differential receiver, which operate from a single power supply. The SN65HVD1785P also robust to ESD events, with high levels of protection to human-body model specifications. It is used in RS-485 and RS-422 Networks.
Parametrics
SN65HVD1785P absolute maximum ratings: (1)Input voltage range at any logic pin: –0.3 to VCC + 0.3 V; (2)Transient overvoltage pulse through 100 Ω per TIA-485: –100 to 100 V; (3)Receiver output current: –24 to 24 mA; (4)TJ Junction temperature: 170 ℃; (5)IEC 60749-26 ESD (human-body model), bus terminals and GND: ±16 kV; (6)JEDEC Standard 22, Test Method A114 (human-body model), bus terminals and GND: ±16 kV; (7)JEDEC Standard 22, Test Method A114 (human-body model), all pins: ±4 kV; (8)JEDEC Standard 22, Test Method C101 (charged-device model), all pins: ±2 kV; (9)JEDEC Standard 22, Test Method A115 (machine model), all pins: ±400 V.
Features
SN65HVD1785P features: (1)Bus-Pin Fault Protection to: > ±70 V; (2)Common-Mode Voltage Range (-20 V to 25 V) More Than Doubles TIA/EIA 485 Requirement; (3)Bus I/O Protection: ±16 kV JEDEC HBM Protection; (4)Reduced Unit Load for Up to 256 Nodes; (5)Failsafe Receiver for Open-Circuit, Short-Circuit and Idle-Bus Conditions; (6)Power-Up, Power-Down Glitch-Free Operation.
Diagrams

| Image | Part No | Mfg | Description | ![]() |
Pricing (USD) |
Quantity | ||||||||||||
|---|---|---|---|---|---|---|---|---|---|---|---|---|---|---|---|---|---|---|
![]() |
![]() SN65HVD1785P |
![]() Texas Instruments |
![]() RS-485 Interface IC 70V Fault-Prot RS485 Transceivers |
![]() Data Sheet |
![]()
|
|
||||||||||||
| Image | Part No | Mfg | Description | ![]() |
Pricing (USD) |
Quantity | ||||||||||||
![]() |
![]() SN65004 |
![]() Other |
![]() |
![]() Data Sheet |
![]() Negotiable |
|
||||||||||||
![]() |
![]() SN65007 |
![]() Other |
![]() |
![]() Data Sheet |
![]() Negotiable |
|
||||||||||||
![]() |
![]() SN65010 |
![]() Other |
![]() |
![]() Data Sheet |
![]() Negotiable |
|
||||||||||||
![]() |
![]() SN65012 |
![]() Other |
![]() |
![]() Data Sheet |
![]() Negotiable |
|
||||||||||||
![]() |
![]() SN6501-3EVM |
![]() Texas Instruments |
![]() Power Management IC Development Tools SN6501-3 Eval Mod |
![]() Data Sheet |
![]()
|
|
||||||||||||
![]() |
![]() SN6501-5EVM |
![]() Texas Instruments |
![]() Power Management IC Development Tools SN6501-5 Eval Mod |
![]() Data Sheet |
![]()
|
|
||||||||||||
(China (Mainland))










