Product Summary
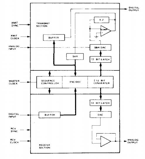
The M5116F1 is a monolithic CMOS companding CODEC which contains two sections: An analog-to-digital converter which ahs a transfer characteristic conforming to the M5116F1 and a digital-to-analog converter which also conforms to the M5116F1. These two sections form a coder-decoder which is designed to meed the needs of the telecommunications industry for per-channel voice-frequency codecs used in D3 channel bank and PBX systems.
Parametrics
M5116F1 absolute maximum ratings: (1)DC supply voltage, V+:+6V; (2)DC supply voltage, V-:-6V; (3)operating temperature range:0℃ to 70℃; (4)storage temperature range:-55℃ to +125℃; (5)package dissipation at 25℃:500mW; (6)digital input:-0.5V≤VIN≤V+; (7)analog input:V-≤VIN≤V+; (8)+VREF:-0.5V≤+VREF≤V+; (9)-VREF:V-≤-VREF≤+0.5V.
Features
M5116F1 features: (1)±5V power supply; (2)low power dissipation:30mW(typ.); (3)follows the u-255 law companing code; (4)exceeds D3 channel bank transmission specifications; (5)synchronous or asynchronous operation; (6)on-chip sample and hold; (7)on-chip offset NULL circuit eliminates long-term drift errors and need for timming; (8)single 16-pin package; (9)minimal external circuitry required; (10)serial data output of 64kb/s-2.1Mb/s at 8KHz sampling rate; (11)separate analog and digital grounding pins reduce system noise problems.
Diagrams

![]() |
![]() M51137FP |
![]() Other |
![]() |
![]() Data Sheet |
![]() Negotiable |
|
||||
![]() |
![]() M51134P |
![]() Other |
![]() |
![]() Data Sheet |
![]() Negotiable |
|
||||
![]() |
![]() M51132L |
![]() Other |
![]() |
![]() Data Sheet |
![]() Negotiable |
|
||||
![]() |
![]() M51132FP |
![]() Other |
![]() |
![]() Data Sheet |
![]() Negotiable |
|
||||
(China (Mainland))








