Product Summary
The LTH-306-02W6 is a photosensor.
Parametrics
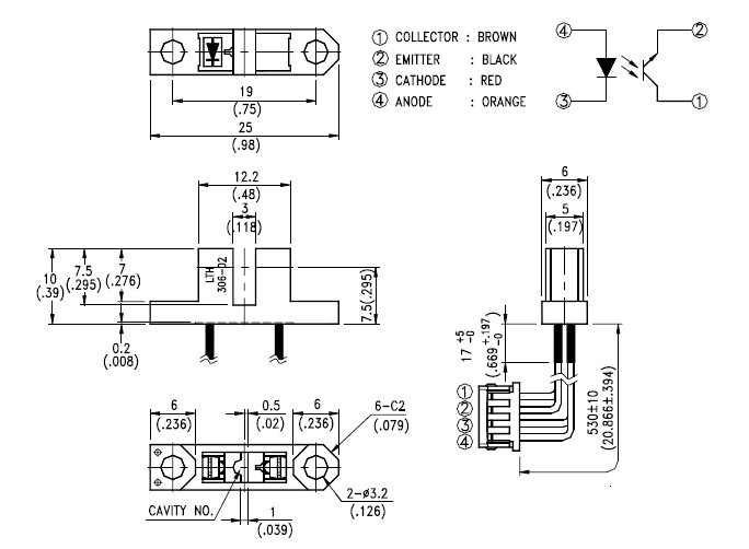
LTH-306-02W6 absolute maximum ratings: (1)Power Dissipation: 75 mW; (2)Peak Forward Current ( 300 pps , 10 μS pulse): 1 A; (3)Continuous Forward Current: 50 mA; (4)Reverse Voltage: 5 V; (5)Power Dissipation: 100 mW; (6)Collector-Emitter Voltage: 30 V; (7)Emitter-Collector Voltage: 5 V; (8)Collector Current: 20 mA; (9)Operating Temperature Range: -25℃ to + 85℃; (10)Storage Temperature Range: -40℃ to + 100℃; (11)Lead Soldering Temperature[ 1.6mm (.063) Form Case ]: 260℃ for 5 Seconds.
Features
LTH-306-02W6 features: (1)snap mounting; (2)mechanical switch replacement; (3)three wires for electrical connection; (4)guaranteed actuator life 1000000 times.
Diagrams

![]() |
![]() LTH-1550-06 |
![]() Lite-On |
![]() Optical Switches, Reflective, with Phototransistor Output Reflective 940/PTR 1.6V Max 4.1mm space |
![]() Data Sheet |
![]()
|
|
||||||||||||
![]() |
![]() LTH-1650-01 |
![]() Lite-On |
![]() Optical Switches, Reflective, with Phototransistor Output Reflective 940/PTR 1.6V Max 6.9mm space |
![]() Data Sheet |
![]()
|
|
||||||||||||
![]() |
![]() LTH-209-01 |
![]() Lite-On |
![]() Optical Switches, Reflective, with Phototransistor Output Reflective 940/PTR 1.6V Mx 10.2mm space |
![]() Data Sheet |
![]()
|
|
||||||||||||
![]() |
![]() LTH-301-05 |
![]() Lite-On |
![]() Optical Switches, Transmissive, with Phototransistor Output Photointerrupter Phototransistor |
![]() Data Sheet |
![]()
|
|
||||||||||||
![]() |
![]() LTH-301-07 |
![]() Lite-On |
![]() Optical Switches, Transmissive, with Phototransistor Output Photointerrupter Phototransistor |
![]() Data Sheet |
![]()
|
|
||||||||||||
![]() |
![]() LTH-301-47 |
![]() Lite-On |
![]() Optical Switches, Transmissive, with Phototransistor Output Slotted 940/PTR Photointerrupter |
![]() Data Sheet |
![]()
|
|
||||||||||||
(China (Mainland))








